PRODUCT CENTER
- 品质 · 好货 -
|
微型中空DD马达-40外径
收藏
商品说明
在工业自动化领域,驱动技术的革新不断推动着行业的发展。近年来,DD 马达(Direct Drive Motor)—— 即直接驱动马达,以其独特的技术优势,成为众多先进设备的核心动力源,引发了广泛关注。 传统的驱动系统往往依赖复杂的传动机构,如齿轮箱、皮带轮等,来实现电机与负载之间的动力传输。这些中间环节虽然在一定程度上满足了动力匹配的需求,但也带来了诸多问题,如能量损耗、机械磨损、传动间隙以及由此导致的精度下降和维护成本增加等。而 DD 马达的出现,彻底打破了这一传统模式。它摒弃了繁琐的中间传动部件,实现了电机与负载的直接连接,让动力传输变得更加直接、高效。 在性能方面,DD 马达展现出了令人瞩目的优势。它能够提供强大的扭矩输出,直接驱动负载进行高效运转,满足了诸如工业机器人关节驱动、大型机械设备高精度定位等对大力矩需求的严苛应用场景。同时,由于减少了机械传动带来的定位误差,并且通常配备了高解析度的编码器,DD 马达能够实现亚微米级别的高精度位置控制和速度控制,在半导体制造、精密机床加工等领域大显身手。此外,其快速响应特性使设备能够迅速启停、精准加减速以及灵活转换运动方向,大大提升了生产效率和自动化程度。而且,直接驱动的方式有效降低了振动和噪声,为工作环境的优化提供了保障,在医疗设备、实验室仪器等对环境要求较高的领域也具有显著优势。 产品参数
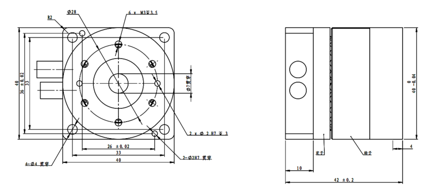
产品尺寸图
|
||||||||||||||||||||||||||||||||||||||||||||||||||||||||||||||||||||||||||




