PRODUCT CENTER
- 品质 · 好货 -
|
微型DD马达-60外径
收藏
商品说明
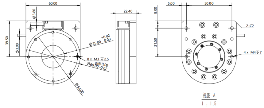
DD-60-022 尺寸图
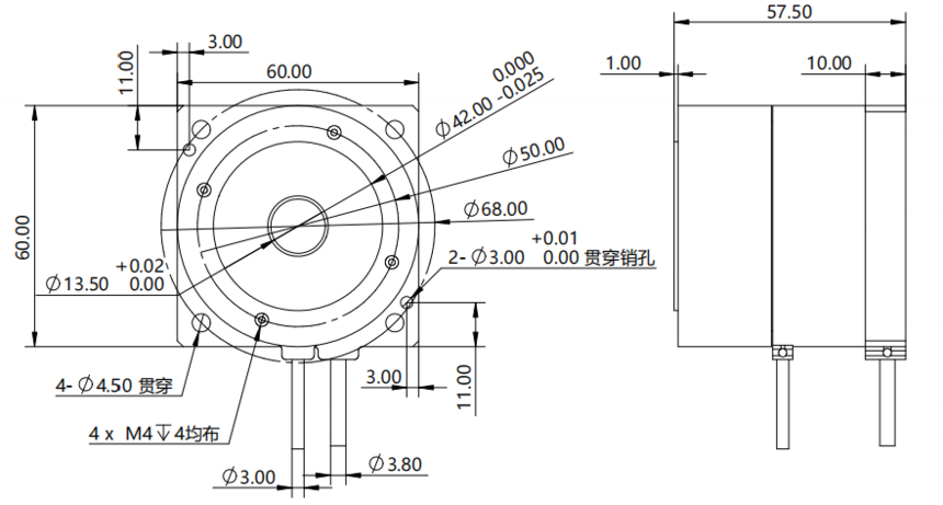
DD-60-057 尺寸图
|





