PRODUCT CENTER
- 品质 · 好货 -
|
微型中空DD马达-30外径
收藏
商品说明
DD 马达在各行业的应用实例 半导体制造:在芯片制造过程中,光刻环节对定位精度要求极高。DD 马达凭借其亚微米级的高精度定位能力,能够精准控制光刻设备的工作台移动,确保芯片图案的精确曝光,极大提高了芯片制造的良品率。 工业机器人:工业机器人的关节驱动需要电机具备高扭矩、快速响应和精准控制的特点。DD 马达直接安装在机器人关节处,能够为关节提供强大的驱动力,实现机器人手臂的快速、精准运动。在汽车制造的焊接工序中,使用 DD 马达驱动的机器人能够在复杂的车身结构上快速、准确地完成焊接任务,提高了焊接质量和生产效率。 医疗设备:在医疗影像设备如核磁共振成像(MRI)中,DD 马达用于驱动扫描平台的移动。其低振动、低噪声的特性保证了扫描过程的稳定性,避免因振动和噪声干扰图像质量。同时,高精度的位置控制确保了患者在扫描过程中的准确定位,为医生提供更清晰、准确的影像诊断依据。 规格参数(DDS30实心轴系列,DDH30空心轴系列)
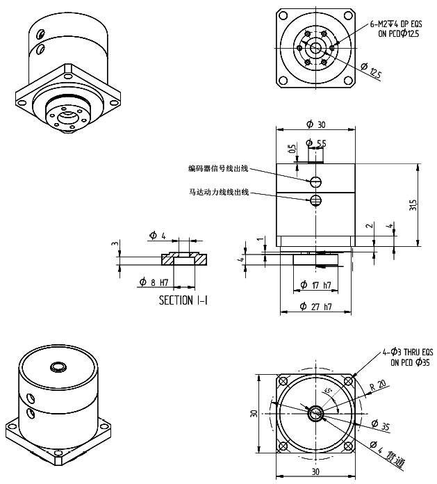
产品尺寸图
|
||||||||||||||||||||||||||||||||||||||||||||||||||||||||||||||||||||||||||||||||||||||||||||||||||||||||||||||||||||||||||||||||||||||||||||||||||||||||||




